Корзина
ОформитьПылеулавливающий агрегат ПУАМ-1200-1
Пылеулавливающий агрегат ПУАМ-1200-1 (далее по тексту «пылеулавливатель») предназначен для промышленного использования, для удаления и очистки воздуха от промышленной пыли, образующейся при работе заточных, отрезных, шлифовальных станков.
Применение:
- Для удаления и очистки воздуха от заточных станков;
- При абразивной обработке металла;
- При производстве алюминиевого профиля;
- При обработке камня и др.
Преимущества:
- В холодное время года тёплый воздух остаётся в помещении;
- Не требует специально оборудованного места;
- Оперативность при подготовке к работе;
- Простота в обслуживании.
Принцип работы.
Принцип работы пылеулавливателя основан на использовании центробежных сил, обеспечивающих разряжение воздуха в зоне удаления отходов, с последующей его фильтрацией.
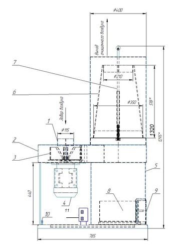
Воздушный поток по воздуховоду (1) поступает в центральную часть улитки (2) пылеулавливателя, где вращающееся рабочее колесо (3), приводимое в действие электродвигателем (4), ускоряет поток и вводит его в корпус пылеулавливателя. В результате центробежных сил, взвешенные пыль и крупные частицы в потоке воздуха, отбрасываются на стенки корпуса пылеулавливателя. Крупные сырьевые частицы выпадают из потока под действием собственного веса, осыпаясь в нижнюю часть пылеулавливателя, пыль задерживается в фильтре (6). Для вывешивания фильтра используется подвеска с подпружиненным штоком (7).Фильтр легкосъёмный и крепится к корпусу пылеулавливателя хомутами.
Выгрузка отходов производится при помощи ящика (8), который установлен в нижней части пылеулавливателя за отстёгивающимся люком (9).
Пылеулавливатель приводится в действие нажатием кнопки ПУСК пускателя (11), установленного в нижней части основания. Остановка осуществляется нажатием кнопки СТОП.
Общая компоновка агрегата Пылеулавливающего агрегата ПУАМ-1200-1.

Характеристики
- Вид товара Фильтровентиляционные установки
- Количество входов в вентилятор, шт. 1
- Количество лопастей крыльчатки, шт. 6
- Корректированный уровень звуковой мощности, не более, Дб(Атрибут 80
- Напряжение питания, В 380
- Площадь фильтрования, м 1,22
- Производительность, м3 /час 1200
- Средний медианный размер улавливаемых частиц, мкм 10
- Степень очистки, % 99
Размерные параметры оборудования
- Диаметр входа в вентилятор, мм 120
Электрооборудование
- Мощность главного привода, кВт 1,1
Габаритные размеры и масса
- Габариты, мм 785×415×1295
- Масса, кг 55
- Уточняйте у менеджера
- Артикул: МЕ_ПУАМ-1200-1
Возможно вам будет интересно
Мы быстро реагируем на запросы потребителей и осуществляем комплектацию и отгрузку продукции по всей России и СНГ
Офисы продаж в регионах
Официальный интернет магазин компании ПМ техно в Москве. Продажа станков, инструмента, оснастки по всей России. © 2025